وصف المنتجات
مقياس التدفق الكهرومغناطيسي LD300 هو أداة دقيقة لقياس تدفق الحجم في الوسائط الموصلة. فهو لا يوفر الكشف والعرض في الموقع فحسب، بل يقوم أيضًا بإخراج إشارة تيار قياسية للتسجيل والتعديل والتحكم.
مقياس التدفق الكهرومغناطيسي للمياه، مصمم لتوفير قياس دقيق وموثوق لمعدلات تدفق المياه. باستخدام المبادئ الكهرومغناطيسية، يوفر مقياس التدفق الخاص بنا قراءات دقيقة دون إعاقة مسار التدفق، مما يضمن الحد الأدنى من انخفاض الضغط وأقصى قدر من الكفاءة.
بفضل تصميمه غير التدخلي، فإن البناء القوي LD300 الخاص بنا والتكنولوجيا المتقدمة تجعله مقاومًا للتآكل ومناسبًا للبيئات القاسية. لقد قام بدمج النوع والنوع المقسم ونوع الإدراج لمختلف المتطلبات والتطبيقات.
مواصفات المنتج
- لا توجد أجزاء متحركة أو معيقة، مما يضمن سهولة الصيانة وعدم فقدان الضغط.
- بطانة متنوعة، قطب كهربائي، مواد تغليف لقياس السوائل المختلفة، بما في ذلك الأحماض والقلويات والأملاح والطين واللب ولب الورق.
- لا يتأثر بكثافة السائل، أو اللزوجة، أو درجة الحرارة، أو الضغط، أو تغيرات الموصلية، فهو يحافظ على دقة عالية مع وجود علاقة خطية بين إشارة الجهد المستحث ومتوسط معدل التدفق.
- يضمن إثارة الموجات المستطيلة منخفضة التردد الاستقرار والموثوقية، ومحصنًا ضد تردد الطاقة والاضطرابات في الموقع.
- سهلة القراءة والتشغيل باستخدام شاشة LCD ذات الإضاءة الخلفية، وتعديل المعلمات عبر الإنترنت، وتسجيل إجماليات الأمام والخلف والفرق.
مواصفات المنتج
|
يكتب |
النوع المتكامل: LD300 نوع التقسيم: LD300-S نوع الإدراج:LD300-P |
|
حجم DN (مم) |
DN6-3000مم (لـ LD300، LD300-S) DN100-3000مم (لـ LD300-P) |
|
أقصى سرعة التدفق |
0.5~10m/s |
|
إشارة الخرج |
خرج تشابهي {{0}}~10 مللي أمبير، مقاومة الحمل: 0~1.5 كيلو أوم 4~20 مللي أمبير، مقاومة الحمل: 0~750Ω إخراج التردد نتيجة الإنذار إخراج النبض RS232٪ 2fRS485 |
|
مزود الطاقة |
مصدر طاقة التيار المتردد، نطاق الجهد: 85VAC~250VAC؛ مصدر طاقة تيار مستمر 24 فولت، نطاق الجهد: 20VDC~36VDC؛ مصدر طاقة ذاتي التشغيل 3.6 فولت |
|
درجة حرارة العمل |
-20~60 درجة |
|
دقة |
0.5% (لـ LD300، LD300-S) 1.5% (لـ LD300-P) |
|
الموصلية المتوسطة المقاسة |
أكبر من أو يساوي 20 ميكروثانية/سم |
|
وظيفة الشبكة |
هارت، مودبوس، جي بي آر إس، بروفيبوس اختياري |
|
مستوي رقم التعريف الألكتروني |
معيار IP65 IP 67، IP68 حسب الطلب لجهاز إرسال الإصدارات المنفصلة فقط |
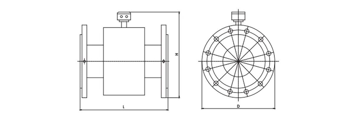
ابعاد المنتج

الوسم : جهاز قياس تدفق المياه الكهرومغناطيسي، مصنعي جهاز قياس تدفق المياه الكهرومغناطيسي في الصين، الموردين
مواصفات المنتج
- لا توجد أجزاء متحركة أو معيقة، مما يضمن سهولة الصيانة وعدم فقدان الضغط.
- بطانة متنوعة، قطب كهربائي، مواد تغليف لقياس السوائل المختلفة، بما في ذلك الأحماض والقلويات والأملاح والطين واللب ولب الورق.
- لا يتأثر بكثافة السائل، أو اللزوجة، أو درجة الحرارة، أو الضغط، أو تغيرات الموصلية، فهو يحافظ على دقة عالية مع وجود علاقة خطية بين إشارة الجهد المستحث ومتوسط معدل التدفق.
- يضمن إثارة الموجات المستطيلة منخفضة التردد الاستقرار والموثوقية، ومحصنًا ضد تردد الطاقة والاضطرابات في الموقع.
- سهلة القراءة والتشغيل باستخدام شاشة LCD ذات الإضاءة الخلفية، وتعديل المعلمات عبر الإنترنت، وتسجيل إجماليات الأمام والخلف والفرق.
ابعاد المنتج

مواصفات المنتج
|
يكتب |
النوع المتكامل: LD300 نوع التقسيم: LD300-S نوع الإدراج:LD300-P |
|
حجم DN (مم) |
DN6-3000مم (لـ LD300، LD300-S) DN100-3000مم (لـ LD300-P) |
|
أقصى سرعة التدفق |
0.5~10m/s |
|
إشارة الخرج |
خرج تشابهي {{0}}~10 مللي أمبير، مقاومة الحمل: 0~1.5 كيلو أوم 4~20 مللي أمبير، مقاومة الحمل: 0~750Ω إخراج التردد نتيجة الإنذار إخراج النبض RS232٪ 2fRS485 |
|
مزود الطاقة |
مصدر طاقة التيار المتردد، نطاق الجهد: 85VAC~250VAC؛ مصدر طاقة تيار مستمر 24 فولت، نطاق الجهد: 20VDC~36VDC؛ مصدر طاقة ذاتي التشغيل 3.6 فولت |
|
درجة حرارة العمل |
-20~60 درجة |
|
دقة |
0.5% (لـ LD300، LD300-S) 1.5% (لـ LD300-P) |
|
الموصلية المتوسطة المقاسة |
أكبر من أو يساوي 20 ميكروثانية/سم |
|
وظيفة الشبكة |
هارت، مودبوس، جي بي آر إس، بروفيبوس اختياري |
|
مستوي رقم التعريف الألكتروني |
معيار IP65 IP 67، IP68 حسب الطلب لجهاز إرسال الإصدارات المنفصلة فقط |




